1.采购人:快盈v3
2.采购项目名称:HEPS-TF超导腔后处理溶液循环及控温系统
3.招标编号:HEPSTF-A7-010102-17-0022
4.资金来源:财政性资金,已落实,采购预算80万元。
5.招标产品内容:
(一)项目名称:HEPS-TF超导腔后处理溶液循环及控温系统
(二)数量:1套
(三)项目简介:
高能同步辐射光源(HEPS)是我国“十三五”期间计划建设的具有世界最高光谱亮度的高性能高能同步辐射光源。快盈v3正进行高能同步辐射光源验证装置(High Energy Photon Source Test Facility,HEPS-TF)预制研究和工程验证。本项目是对高能光源HEPS-TF项目中HEPS-TF超导腔后处理溶液循环及控温系统的设计和制造进行的国内公开招标。
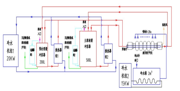
本项目系统主要由两个溶液缓存容器、溶液控温单元、溶液过滤单元、超导腔外部冷却、超导腔(甲方提供)、阴极(空心)、氢气稀释单元,及自动控制和数据获取单元组成。该设备循环回路主要由两路组成,一路从主溶液缓冲容器出发,经控温单元,到超导腔后,返回容器;另一路类似,从预处理溶液缓冲容器出发,最后回到预处理缓冲容器。两回路具有单独控温单元。除溶液循环回路外,由于超导腔在处理过程中将有大量的热量产生,因此要求具有独立的超导腔外部冷却单元,包含冷水机、热交换器及纯水箱等,为超导腔提供外部冷却。此外,在超导腔处理过程中将有氢气产生,因此,要求本系统还将包括氢气强制排除系统。溶液循环回路示意图如图1所示:

图1:溶液循环回路示意图
除以上回路外,还需考虑系统的检漏、酸液的回收及旧酸的收集,超导腔去离子水清洗和废液的排放,超导腔外部水冷可监控废水的电阻率等。最后本系统整个过程可实现操作的自动控制和数据的自动获取,主要包括阀门开关状态等过程参量,及溶液流速、温度,压力、水冷电阻率等参数;设备需具有HF/H2/O2气体浓度报警监控。
本项目招标人提供超导腔后处理溶液循环和控温系统的设计原理说明和技术要求,投标人进行工艺设计和制造,招标范围包括该系统的工艺设计、原材料采购、泵组、换热器、冷水机、流量计等部件的采购、加工制造、焊接、系统检漏调试、出厂测试、包装、运输、保险、安装调试、配合验收及提供售后服务等。交货周期为:在合同签订后4个月内完成HEPS-TF超导腔后处理溶液循环及控温系统的加工制造和通过出厂验收,并运往甲方指定地点(北京市石景山区玉泉路19号乙中科院高能物理研究所)完成最终验收。
主要技术要求如下:
1)可实现工艺过程中电解液的循环、控温、过滤等功能;
2)流速可控,工艺最大循环流量≥70L/min;
3)控制温度范围:出酸口温度需≤20℃;稳定时控温精度:±0.5℃
4)设计需满足检漏要求: 充入表压0.02MPa氮气保压,压力降低小于0.1KPa
5)可满足将7L/min产生速率的氢气稀释到安全范围以内(5%以下)。
6)可控制酸液高度在腔体直径的50-60%处。
7) 去离子水可加热到50摄氏度,控温精度±3度;去离子水流量可增加到60L/min。
8)外部冷却水温度可控,最低水温可达到10℃。
6.投标资格:
本项目为国内招标,投标资格条件要求如下:
(1)政府采购法第二十二条规定的资格条件。
(2)投标人应为在中华人民共和国境内合法注册的法人或其他组织,是所投产品的生产商,应具有必要的生产设备和生产场地,有自主完成本项目制造、加工检验和组装的能力。
(3)按本招标公告规定方式购买招标文件并登记。
(4)本项目不接受联合体投标。
(5)本项目只接受原产地在中华人民共和国境内的产品投标。
7.招标文件发售时间:2017年9 月9日~2017年9 月19日(公休日除外)
每天9:00~11:00、14:00~16:30(北京时间)
8.招标文件发售地点:北京市石景山区玉泉路19号乙院(高能所)
主楼A135室(大装置管理中心)
9.招标文件购买方式:
招标文件每套500元人民币(招标文件仅提供电子版,购买时请携带U盘)。招标文件售出不退。
如需邮购,请电汇标书费(500元),并将银行出具的汇款回单、公司名称、联系人、联系电话、详细通信地址、开标书发票等信息用E-mail形式发送至wangwp@ihep.ac.cn。我们收到邮件后会立即将招标文件正文(电子版)用E-mail发给您。
投标时将收取16000元(电汇)作为投标保证金。
注意:投标单位购买招标文件时请携带单位介绍信(盖公章)备查。请在介绍信上注明单位全称及其地址、邮编、联系人及其联系方法(包括手机、电话、传真、E-mail地址等)或提供购买人个人名片以便联系。
10.投标截止时间:北京时间2017年9月28日上午9:00
11.投标文件递交地点:北京市石景山区玉泉路19号乙院(高能所)
主楼A419室(大装置管理中心)
12.开标时间:北京时间2017年9月28日上午9:00
13.本项目联系方式:联系人:王文萍
Email:wangwp@ihep.ac.cn
电话:010-88236304
全称:快盈v3
开户银行:中国工商银行北京永定路支行
账号:0200 0049 0901 4451557
本信息刊登在快盈v3网站(www.gxxsggd.com)
附件下载:
